生産
半導体光アンプSOA 1060 nm 25 dB
  • 半導体光アンプSOA 1060 nm 25 dB半導体光アンプSOA 1060 nm 25 dB
  • 半導体光アンプSOA 1060 nm 25 dB半導体光アンプSOA 1060 nm 25 dB
  • 半導体光アンプSOA 1060 nm 25 dB半導体光アンプSOA 1060 nm 25 dB
  • 半導体光アンプSOA 1060 nm 25 dB半導体光アンプSOA 1060 nm 25 dB

半導体光アンプSOA 1060 nm 25 dB

一連の製品半導体光アンプSOA 1060 nm 25 dBは、主に光信号を強化するために使用され、出力光電力を大幅に増加させることができます。製品の特徴は、増幅の高い係数、低エネルギー消費、偏光の保存、およびその他の特性によって特徴付けられます。彼らは国内技術を使用して完全に技術的です。

導入:


一連の製品半導体光アンプSOA 1060 nm 25 dBは、主に光信号を強化するために使用され、出力光電力を大幅に増加させることができます。製品は、高強化因子、低エネルギー消費、偏光の保存、およびその他の特性によって特徴付けられます。彼らは国内技術を使用して完全に技術的です。


関数:


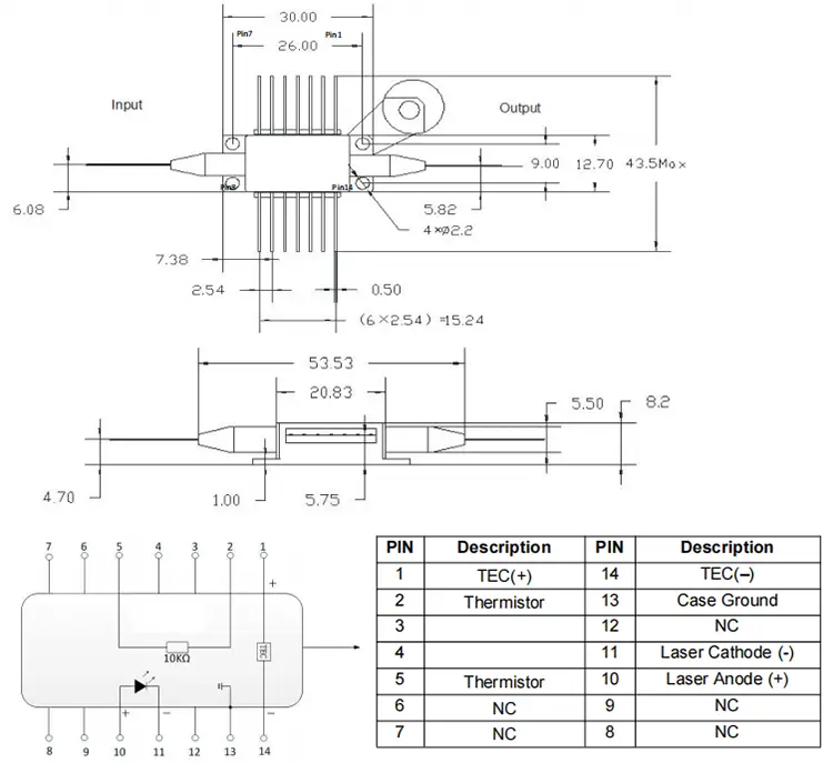
ハウジングバタフライ14ピン;

低ノイズ係数と偏光への弱い依存性。

FC/APCコネクタを備えたSMF-28Eファイバー。

信頼性:Telcordia GR-468。 Rohs


アプリケーション:


繊維接続とスイッチの損失補償。

医療OCT;

スイング周波数のソース、再構築レーザー。


電気光学特性(t = 25℃):


パラメーター

シンボル

私は。

タイプ。

マックス。

寸法

動作波長

lpeak

25℃、pin = 0dbm

-

1060

-

nm

中央波長ASE

させて

25℃、if = 400m.a。

-

1070

-

nm

増幅の通り-3 dB

ΔL

ピン= -20dbm

-

50

-

nm

飽和光学力

pmax

if = 400m.a。、

Pin = 5dbm@1060nm

-

15

-

DBM

小さな信号を強化します

SSG

if = 400m.a。、

PIN = -25DBM@1060NM

-

25

-

DB

強化

最高経営責任者(CEO)

25℃、if = 400m.a。

 

 

 

DB

動作電流

もし

-

20

-

-

M.A.

直接的な緊張

VF

-

-

400

600

V

ノイズ係数

nf

25℃、if = 400m.a。、 @1060nm

-

-

2.0

DB

テオテオ

LTEC

-

-

-

1.8

A

テオの緊張

VTEC

-

-

10

3.4

V

ターミスタの抵抗

rtherm

t = 25℃

9.5

10

10.5

PC

ターミスタ電流

ltherm

-

-

-

5

M.A.

フルパワー

P

-

-

-

4

w

ケースの動作温度

トップ

i = if

-10

-

70

保管温度

ts

-

-40

-

85


パッケージングの描画と結論の決定(測定単位:mm):




典型的な特性曲線:



配達、出荷、メンテナンス


すべての商品は送信する前にチェックされます。


すべての商品には1年の保証が提供されます(保証期間の満了後、サービス料金が請求されます)。


お客様の協力に感謝し、7日以内(商品を受け取ってから7日後)以内に即座に払い戻しの可能性を提供します。


店舗で購入した製品が品質の要件を満たしていない場合、つまりメーカーの要件を満たしていない場合は、資金を交換または返還するために返品してください。


商品に欠陥があることが判明した場合は、配達日から3日以内にこれについてお知らせください。


資金または交換を返すには、商品を初期状態で返品する必要があります。


買い手は、すべての配送コストについて責任を負います。




よくある質問


Q:必要な波長はどのくらいですか?

A:レーザーダイオード1550NM 1310NM 1270NM 1060NM SOAがあります。


Q:出力電力の必要性は何ですか?

A:ボックスオプトロニクスは、要件に従って調整できます。



ホットタグ: 半導体光アンプSOA 1060 nm 25 dB
お問い合わせを送信
連絡先情報
文や協力について質問がある場合は、メールを送信するか、次のリクエストフォームを使用してください。私たちの取引担当者は24時間以内にあなたに連絡します。
X
We use cookies to offer you a better browsing experience, analyze site traffic and personalize content. By using this site, you agree to our use of cookies. Privacy Policy
Reject Accept